My photo
Resia Pretorius is a Professor in the department of Physiology, University of Pretoria. She is also Director of the Applied Morphology Research Centre at the University. She has published over 150 research articles in rated scientific journals. She has also been study leader to 28 MSc and PhD students. In December 2011, she was named as winner of the African Union Kwame Nkrumah Scientific Awards for the Southern Region in the category: Basic Science, Technology and Innovation.

Wednesday, November 2, 2011

The ultrastructure of stroke



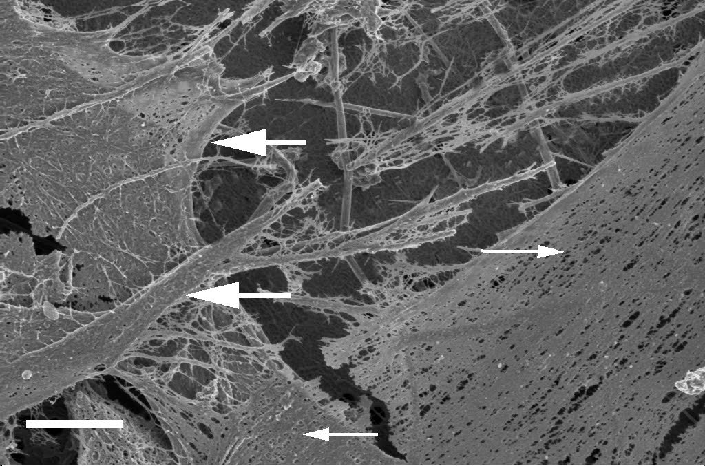
Stroke is one of the leading causes of death world wide. There are two main devisions of stroke, namely haemorrhagic stroke, caused mainly by bleeding in the brain; and thrombotic stroke. This is caused by a thrombus or blood clot. This may develop due to a changed coagulation profile, resulting in a matted and dense fibrin clot. This is visible under an electron microscope when creating a clot, by taking citrate blood from an individual, and mixing it with thrombin. This thrombin addition causes a cascade of biochemical pathways to be activated, just as what typically will happen in the human body. A changed coagulation profile, as seen during stroke, may therefore be detected using a simple and cheap morphological screening tool. Follow-up investigations, after a stroke, can also be done to determine the success of the treatement.

The Micrograph shown here, shows the ultrastructure during stroke. Dense matted deposites (arrows) are formed in the body and this may block blood vessels.

Preventing stroke is one of the most important medical issues! Keep healthy by taking anti-oxidants, 5 to 7 portions of fruit and vegetables and DO NOT SMOKE. Smoking does not only impact negatively on your skin and aging, it is one of the main causes of stroke.

See a recently published article in Journal of Thrombosis and Thrombolysis by Pretorius and co-workers

The full text article is avialable at:

http://www.springerlink.com/content/a1254137p0222473/